HOME ABOUT US NEWS PRODUCTS QUALITY GALLERY E-CATALOGUES ENQUIRY CONTACT US


SEARCH
PRODUCT >> Valves >> Butterfly
Product Name: JR-BT-07 double flanged butterfly valve
 
   SPECIFICATION/SPECIAL FEATURES
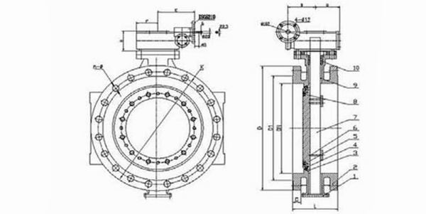
The double flanged butterfly valves with eccentric disc are applied in the pipelines as shut-off device and as regulation valves, thanks to the gear box that can stop the disc in many intermediate positions. These double flanged butterfly valves with regular face to face DIN 3202 F4 allows the perfect exchange with regular flat body gate valves, whenever needed. The double flanged butterfly valves have body and disc in GGG40-50, body seats in bronze, gasket on the disc in NBR. The double flanged butterfly valves can stand both directions of fluid; gasket seals are on the disc and can be replaced without dismantling the valves from the pipeline. The double flanged butterfly valves with double eccentric disc can be installed in drinking water plants, being painted with epoxy powder. The gear box is suitable for electric actuator and installation is easy, taking off the handwheel from the gear box itself.
 
Design & manufacture: DIN 3354
Face to face: EN 558-1 series 14, DIN 3202 F4
Flange type: UNI EN 1092-1 PN10/16/25
Body
Ductile Iron
Disc
Ductile Iron
Shaft
Stainless Steel
Sealing face
Disc sealing face: EPDM/NBR
Body sealing face: Stainless Steel/Bronze
 
Size
L mm
K mm
ISO 5210
Torque
PN10
100
190
180
F10
14
125
200
210
F10
18
150
210
240
F10
24
200
230
295
F10
13
250
250
350
F10
16
300
270
400
F10
31
350
290
460
F10
29
400
310
515
F10
35
450
330
565
F10
32
500
350
620
F10
45
600
390
725
F10
55
700
430
740
F10
68
800
470
950
F10
89
900
510
1050
F14
103
1000
550
1160
F14
138
1100
590
1270
F14
144
1200
630
1380
F14
178
1400
710
1590
F14
205
1500
750
1700
F14
208
1600
790
1820
F14
227
1800
870
2020
F14
256
2000
950
2230
F14
271
2200
1030
2430
F14
302
2400
1110
2640
F14
355
 
Hits£º9584  Input time£º2013-10-01 ¡¾Print this page¡¿ 
Copyright @2012 XIAMEN JIREH INDUSTRIAL CO., LTD. Incorporated. All rights reserved.   ICP:ÃöICP±¸17023395ºÅ
 
Adds: 1105 Block B Yucheng Bldg.No.51 Dongdu Road, Xiamen, China Post Code: 361012
Tel: 0086-592-5616848 5616881 5616805 5616458 Fax:0086-592-5616958
E-mail: jireh@jirehvalve.com;     xmjireh@189.cn Site: http://www.jirehvalve.com