Click for technic details

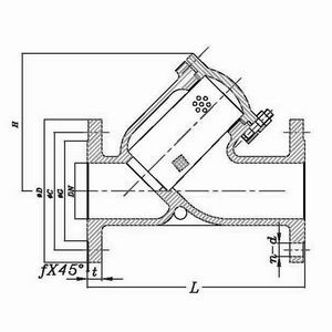
The ¡°Y¡± strainers are suitable to retain and collect any impurity from the pipeline. The cast iron ¡°Y¡± strainers are manufactured in cast iron GG25 according to DIN standard, for industrial applications. The basket screen made in stainless steel 304 or 316 is removable for its cleaning.
Design & manufacture: DIN
Face to face: DIN 3202 F1
Flange ends: DIN PN10, 16, 25
Test & inspection: API 598
|
DN |
D mm |
L mm |
H mm |
Weight kg |
|
15 |
95 |
130 |
120 |
2.4 |
|
20 |
105 |
150 |
140 |
3.0 |
|
25 |
115 |
160 |
150 |
4.0 |
|
32 |
140 |
180 |
170 |
6.5 |
|
40 |
150 |
200 |
190 |
8.0 |
|
50 |
165 |
230 |
220 |
11.0 |
|
65 |
185 |
290 |
290 |
16.0 |
|
80 |
200 |
310 |
310 |
24.0 |
|
100 |
220 |
350 |
360 |
28.0 |
|
125 |
250 |
400 |
430 |
44.0 |
|
150 |
285 |
480 |
550 |
63.0 |
|
200 |
340 |
600 |
620 |
109.0 |
|
250 |
405 |
730 |
700 |
169.0 |
|
300 |
460 |
850 |
800 |
205.0 |
|
350 |
520 |
980 |
850 |
- |
|
400 |
580 |
1100 |
900 |
- |
|
500 |
715 |
1250 |
1100 |
- |
|
600 |
840 |
1450 |
1300 |
- |
|
Body & Bonnet |
Ductile Iron, Cast Iron |
|
Screen |
Stainless Steel F304, F304, F316 |
|
Gasket |
Graphite, Teflon |
|
Plug |
Ductile Iron, Cast Iron |